Retenedor de Eje de Cambios para Pitsterpro / Kayo 90 -190cc

https://crodriguez82-carmonax-prod.odoo.com/web/image/product.template/5515/image_1920?unique=5724406

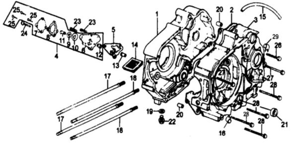
Retenedor Eje Cambios Pit bike

Kayo Original

Ventas por Unidad

Elemento 21 del Diagrama.

Nivel de Mecánica para Reemplazo: Intermedio

11.6 x 24 x 10

₡ 2,225.00 2225.0 CRC ₡ 2,225.00

₡ 1,969.03

Not Available For Sale

    Esta combinación no existe.

    Términos y condiciones
    Garantía de devolución de 30 días
    Envío: 2-3 días laborales