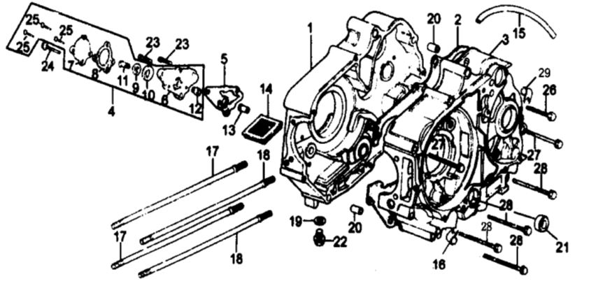
Block Derecho de Motor para Pitsterpro Classic 125

https://crodriguez82-carmonax-prod.odoo.com/web/image/product.template/6430/image_1920?unique=9beceef

Marca Pitsterpro

Ventas por Unidad, Elemento 1 del Diagrama Adjunto

Nivel de Mecánica para Reemplazo: Experto

₡ 33,500.00 33500.0 CRC ₡ 33,500.00

₡ 29,646.02

Not Available For Sale

    Esta combinación no existe.

    Términos y condiciones
    Garantía de devolución de 30 días
    Envío: 2-3 días laborales